Irreversible Locks IR

IR Zeichnung E

Selection

Please note that for this model max. 1 selection is possible.

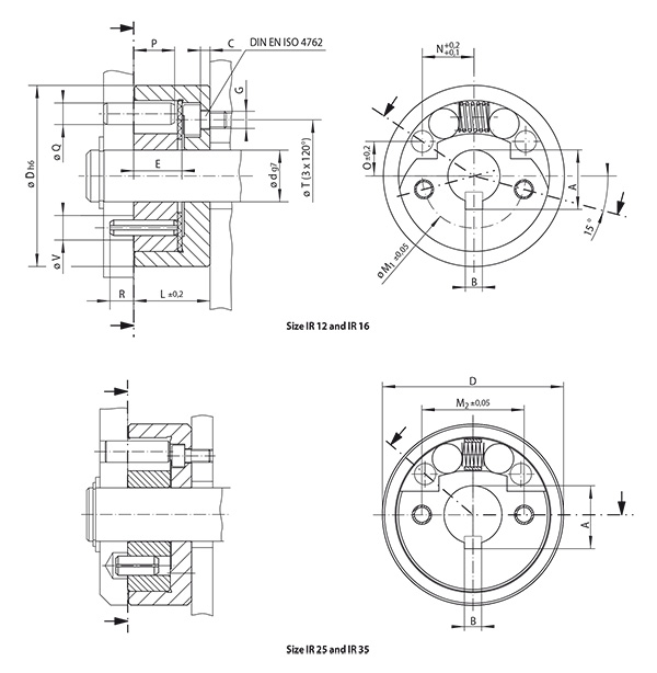
  sachnummer Weight Type Size Design d
[mm]
D
[mm]
L
[mm]
4883-021101-000000 0,15 IR 12 R 12 42 17,7
4883-024101-000000 0,22 IR 16 R 16 48 20,4
4883-044101-025H35 1,1 IR 25 R 25 85 30
4883-068101-000000 3,3 IR 35 R 35 120 45

No claims for liability or warrenty claims can be derived from use of the CAD-Files.

All CAD-Files have benn produced with the greatest of care. In spite of this, they serve merely for the purpose of illustration.

Only design drawings which have been released by RINGSPANN are binding.

File format:

Login

Contact us

Austria


 



RINGSPANN Austria GmbH

Triesterstraße 21

2620 Neunkirchen

Austria



+43 2635 62446

 

info@ringspann.at

 

www.ringspann.at

*

 

 

* *

 

*

 

 

*

250 / 250 characters

 

I accept the privacy policy *

By accepting the box you agree to receive information about our company and our news (products, catalogs ...).


 I am not a robot

 


* The fields marked with a star are required fields.